Preface: This guide will walk you through determining a possible reason as to why your rotary will not spin and is applicable to Nova, Bolt and Odin series machine. If you complete this guide without a definitive cause, please email support@thunderlaserusa.com and summarize what you completed.

Rotoboss Low/Junior/Boss | Rotoboss Talon | Rotoboss Talon Pro |
If the steps are set to 360....definitely an issue. The values will depend on which rotary you have.
Older Ruida Screen | Newer Ruida Touch Screen |
To jog, press the MENU button on the controller, scroll to "U move" and then use the left and right arrows to jog to rotary. | Use the physical buttons at the bottom of the screen or go to the MANUAL tab, unlock the nudge buttons and use the soft keys to jog the rotary (You may need to adjust your nudge value, as shown is 100mm) |
Rotary Unplugged from Machine | Rotary Plugged into the Machine |
Green LED is for PWR not illuminated | Green LED for PWR is Illuminated |
Rotary Unplugged from the Machine | Rotary Plugged into the Machine |
Rotary Unplugged from the Machine | Rotary Plugged into the Machine |
Rotary Unplugged from the Machine | Rotary Plugged into the Machine |
Rotary Unplugged from the Machine | Rotary Plugged into the Machine |
Channel 7 LED OFF | Channel 7 LED ON |


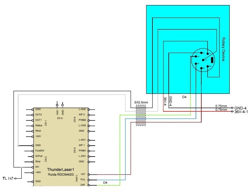
Rotary Port to Ruida Controller | TL Timer to Power Relay |