Thunder Laser Titan and Titan Pro V9.6 Wiring Diagram aka Schematics

Thunder Laser Titan and Titan Pro V9.6 Wiring Diagram aka Schematics





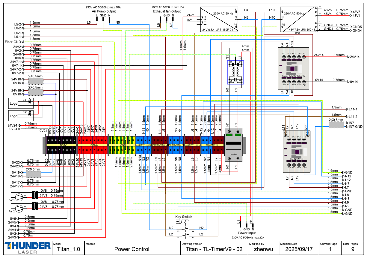
Titan Pro Schematics

    If you are a Thunder Laser USA client and still need Technical Support after exhausting the resources in the Knowledge Base, simply email support@thunderlaserusa.com and the Technical Support Team will promptly assist you! You can also use the form here.

      Information contained in this Knowledgebase, on this page, in this or any other  Article etc. is the property of Thunder Laser USA and shall not be copied, re-used, sold etc. Do not copy, distribute, or reproduce without express written permission from Thunder Laser USA.