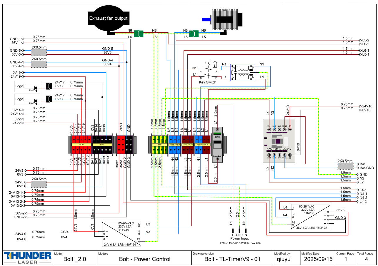
Thunder Bolt 2.0 Plus 24 and Pro 36 Tl Timer V9.6 Wiring Diagram September 2026 aka Schematics

Thunder Bolt 2.0 Plus 24 and Pro 36 Tl Timer V9.6 Wiring Diagram September 2026 aka Schematics



Downloads:

    If you are a Thunder Laser USA client and still need Technical Support after exhausting the resources in the Knowledge Base, simply email support@thunderlaserusa.com and the Technical Support Team will promptly assist you! You can also use the form here.

      Information contained in this Knowledgebase, on this page, in this or any other  Article etc. is the property of Thunder Laser USA and shall not be copied, re-used, sold etc. Do not copy, distribute, or reproduce without express written permission from Thunder Laser USA.